World

Wednesday, November 19, 2025, 16:42 GMT+7

New method spots signs of Earth's primordial life in ancient rocks

Scientists have detected some of the oldest signs of life on Earth using a new method that recognizes chemical fingerprints of living organisms in ancient rocks, an approach that also holds promise in the search for life beyond our planet.

New method spots signs of Earth's primordial life in ancient rocks

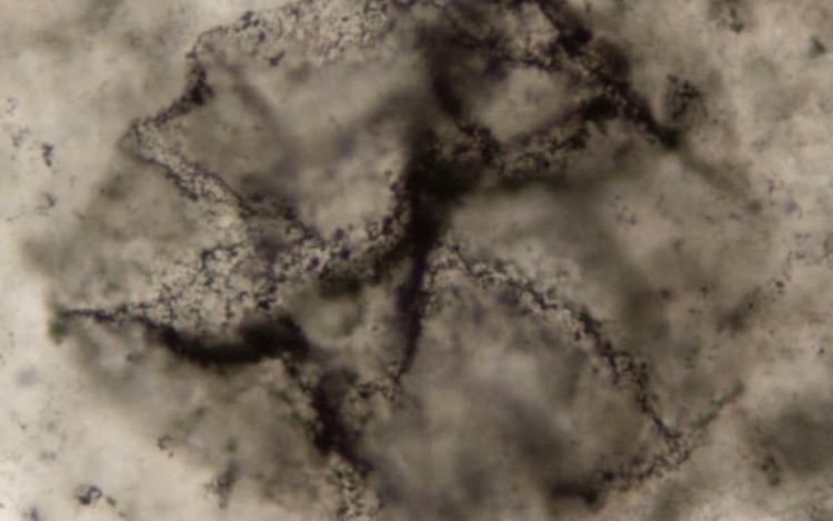
Biomolecular fragments that may indicate photosynthetic activity is detected in this 2.52-billion-year-old rock from South Africa's Gamohaan Formation in this picture released on November 17, 2025. Photo: Andrew D. Czaja/Handout via Reuters

The researchers found evidence of microbial life in rocks about 3.3 billion years old from South Africa, when Earth was roughly a quarter its current age. They also found molecular traces left by microbes that engaged in oxygen-producing photosynthesis - conversion of sunlight into energy - in rocks about 2.5 billion years old from South Africa.

The scientists developed an approach, harnessing machine learning, to distinguish in ancient rocks between organic molecules with a biological origin - like from microbes, plants and animals - and organic molecules with a nonliving origin at greater than 90% accuracy. The method was designed to discern chemical patterns unique to biology.

"The remarkable finding is that we can tease out whispers of ancient life from highly degraded molecules," said Robert Hazen, a mineralogist and astrobiologist at the Carnegie Institution for Science in Washington and co-lead author of the study published this week in the journal Proceedings of the National Academy of Sciences. "This is a paradigm shift in the way we look for ancient life."

"We collect and concentrate carbon-rich molecules, analyze them in a way that identifies thousands of tiny molecular fragments, and then look at their distributions with machine learning. The human eye just sees hundreds or thousands of little 'peaks' of different molecules, but the machine learning method teases out subtle patterns that distinguish molecules that were once alive from those that were not," Hazen said.

Scientists hunting for evidence of Earth's earliest life have relied primarily on finding fossil organisms. Earth formed approximately 4.5 billion years ago. Its first living organisms may have been microbes that arose perhaps hundreds of millions of years later at marine hydrothermal vents or terrestrial hot springs.

The oldest definitive fossils of living organisms are mound-like microbial deposits called stromatolites about 3.5 billion years old in Australia and microbial mat structures of similar age in South Africa. But such fossils are exceptionally scarce.

Another way to find evidence of early life is to look for traces of biomolecules - chemicals related to living organisms - in ancient rocks. The new approach takes that path.

For instance, the researchers discovered organic molecular evidence that oxygen-producing photosynthesis, which over time oxygenated the planet's atmosphere and enabled the evolution of complex aerobic life, was underway by marine bacteria more than 800 million years earlier than previously documented by this type of data.

"It was well known from other evidence that Earth became oxygenated by 2.5 billion years ago and maybe even a little earlier. So we have provided the first convincing fossil organic molecular evidence, with the prospect of pushing the record even farther back," Hazen said.

All of the ancient biomolecules, like sugars or lipids such as fats, are gone and fragmented into little pieces with only a handful of carbon atoms. Yet the distribution of those fragments is remarkably different for suites of organic molecules in life versus nonlife.

"First, we've roughly doubled the age at which we can identify signs of life using organic molecules, from 1.6 billion to 3.3 billion years," said study co-lead author Anirudh Prabhu, a Carnegie Institution for Science mineralogist, astrobiologist and data scientist.

"Second, this biosignature technique can distinguish not just life from nonlife but different kinds of life, such as photosynthetic organisms. Third, our paper shows how machine learning can identify the fingerprints of life in ancient rocks, even when all original biomolecules are degraded," Prabhu said.

NASA rovers have collected rock samples on Mars in a quest to learn whether Earth's planetary neighbor ever harbored life. Other destinations in our solar system also hold potential in the search for life, including Saturn's moons Enceladus and Titan and Jupiter's moon Europa.

The researchers have received a NASA grant to develop their approach for identifying evidence of life.

"One key application area for our project is astrobiology," Prabhu said.

Hazen said, "We are very excited about the prospects of using this method on samples from Mars, ideally those returned to Earth but possibly on a future rover mission. We are also thinking about ways to sample the organic-rich plumes of Enceladus or the surface of Titan or Europa."

Reuters

Comment (0)
thông tin tài khoản
(Tuoitre News gives priority to approving comments from registered members.)
Most Popular Latest Give stars to members